> 20BY20H
   > 25BY
   > 28BY48H
   > 35BY48B
   > 35BY24H 35BY48H
   > 42BY24B 42BY48B
   > 42BY100B
   > 42BY48H
   > 55BY48B
 
  产品中心  
   
 
35BY48B
 

主要用途:打印机/扫描仪/考勤机、流量控制阀、缝纫机、热水器
Applications: Printer / Scanner/ Attendance machine、Flow control valve、Sewing machine、Water-heater
环境温度:Ambient Temperature   -10℃—55℃
绝缘电阻:Insulation Resistance   500V DC 100MΩMIN
绝缘等级:Insulation Class   E


技术数据:Specifications

型号
Model

步距角
Step Angle
(Deg)

相数
No.of
Phase

电压
Voltage
(V)

电流
Current
(A)

电阻
Resistance
(Ω)

保持转矩
Holding Torque
(g.cm)

定位转矩
Detent Torque
(g.cm)

转动惯量
Rotor Inertia
(g.cm2)

接线图
Wdg

外形图
Fig

重量
Weight
(g)

PDF下载

35BY48B01

7.5

4

5

0.5

10

250

80

5.6

a

1

70

35BY48B02

7.5

4

24

0.22

110

300

80

5.6

a

1

70

35BY48B04

7.5

4

12

0.24

50

300

80

5.6

a

1

70

35BY48B08

7.5

4

24

0.166

145

300

80

5.6

b

2

60

35BY48B10

7.5

4

12

0.171

70

300

80

5.6

a

1

70

接线图:Wiring Diagram
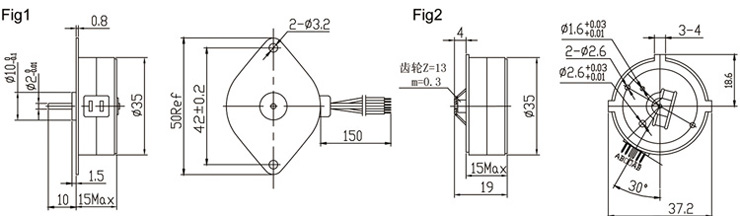
外形图:Figure Dimensions (unit =mm)

 
 
 
  公司介绍   |   产品中心   |   资料下载   |   选购指南   |    新闻中心   |   联系我们   |   台台管理  
     
  Copyright常州宝来电器有限公司 2002-2019 All rights reserved 苏ICP备05038914号
Ir heat lamps荣业建设
电话咨询