> 28BYGH
   > 35BYGH 35BYGM
   > 36BYGM
   > 39BYG 39BYGM
   > 42BYGH 42BYGM
   > 57BYG
   > 57BYGH
   > 86BYGH
 
  产品中心  
   
 
35BYGH 35BYGM
 

主要用途:监控设备,医疗仪器,工业自动化设备
Applications: Monitor equipment、Medical equipment、Industrial automation
环境温度:Ambient Temperature    -20℃~+55℃
绝缘电阻:Insulation Resistance   500V DC 100MΩMIN
绝缘等级:Insulation Class   B


技术数据:Specifications

型号
Model

步距角
Step Angle
(Deg)

电压
Voltage
(V)

电流
Current
(A)

电阻
Resistance
(Ω)

电感
Inductance
(mH)

保持转矩
Holding torque
(Kg.cm)

定位力矩
Detent torque
(Kg.cm)

转动惯量
Rotor Inetia
(g.cm2)

接线图
Wdg

机身长
Length
(mm)

重量
Weight
(Kg)

PDF下载

35BYGH317

1.8

12

0.2

60

48

0.8

0.18

10

a

27

0.14

35BYGH327

1.8

3.75

0.5

7.5

12

1.0

0.18

10

a

27

0.14

35BYGH603

1.8

5.4

0.8

6.8

10

1.8

0.20

14

a

34

0.25

35BYGM308

0.9

2.2

0.5

4.5

3.8

0.7

0.18

10

a

27

0.14

35BYGM326

0.9

12

0.24

50

40

1.0

0.18

10

a

27

0.14

接线图:Wiring Diagram

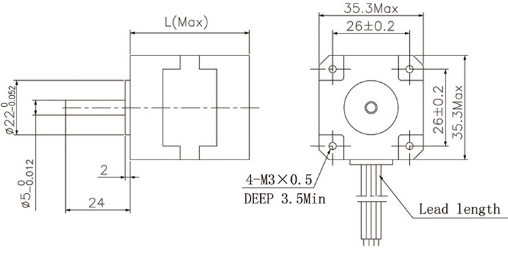
外形图:Figure Dimensions (unit =mm)

 
 
 
  公司介绍   |   产品中心   |   资料下载   |   选购指南   |    新闻中心   |   联系我们   |   台台管理  
     
  Copyright常州宝来电器有限公司 2002-2019 All rights reserved 苏ICP备05038914号
Ir heat lamps荣业建设
电话咨询