> 20BY20H04B-22JX
   > 25BY48HJ50/25BY48BJ1...
   > 35BY48HJ/35BYHJ
   > 42BY24BJ50B 42BY48BJ...
   > 42BY48HJ10/20/25
   > 42BY48HJ17.5/30B/75
   > 55BY48BJ10/20/30
   > 55BY48B-70J10C/125A ...
   > 42BYGHJ
   > 36JX
   > 56JX
 
  产品中心  
   
 
35BY48HJ/35BYHJ
 

主要用途:阀门控制,风门控制,医疗仪器,机器人
Applications: Tap control、Air door control 、Medical machine、Robot
环境温度:Ambient Temperature    -10℃—55℃
绝缘电阻:Insulation Resistance  500V DC 100MΩMIN
绝缘等级:Insulation Class   E


技术数据:Specifications

型号
Model

步距角
Step Angle
(Deg)

减速比
Gear Ratio

相数
No.of
Phase

电压
Volt.
(V)

电流
Current
(A)

电阻
Resistance
(Ω)

起动频率
Pull-in Rate
(PPS)

起动转矩
Pull-in Torque
(N.cm)

接线图
Wdg.

外形图
Fig.

重量
Weight
(g)

PDF下载

35BY48HJ4.5

7.5/4.5

1:4.5

4

12

0.4

30

450

6(100pps)

a

3

150

35BY48HJ6.3

7.5/6.3

1:6.3

2

12

0.4

30

450

8(100pps)

b

2

150

35BY48HJ11B

7.5/10.8

1:10.8

4

12

0.4

30

450

15(100pps)

b

2

150

35BY48HJ17.5

7.5/17.5

1:17.5

2

12

0.4

30

450

20(100pps)

a

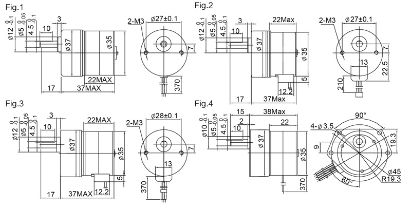
1

150

35BY48HJ30

7.5/30

1:30

4

12

0.27

45

400

30(100pps)

b

2

150

35BY48HJ75

7.5/75

1:75

2

12

0.27

45

400

50(100pps)

a

1

150

35BY48HJ120

7.5/120

1:120

4

12

0.27

45

400

60(100pps)

b

3

150

35BYHJ120

7.5/120

1:120

2

12

0.27

45

400

60(100pps)

b

4

150


接线图:Wiring Diagram

外形图:Figure Dimensions (unit =mm)



 
 
 
  公司介绍   |   产品中心   |   资料下载   |   选购指南   |    新闻中心   |   联系我们   |   台台管理  
     
  Copyright常州宝来电器有限公司 2002-2019 All rights reserved 苏ICP备05038914号
Ir heat lamps荣业建设
电话咨询