> 20BY20H04B-22JX
   > 25BY48HJ50/25BY48BJ1...
   > 35BY48HJ/35BYHJ
   > 42BY24BJ50B 42BY48BJ...
   > 42BY48HJ10/20/25
   > 42BY48HJ17.5/30B/75
   > 55BY48BJ10/20/30
   > 55BY48B-70J10C/125A ...
   > 42BYGHJ
   > 36JX
   > 56JX
 
  产品中心  
   
 
42BY24BJ50B 42BY48BJ10/20/25 42BY100BJ25
 

主要用途:医疗仪器,阀门控制,风门控制,机器人
Applications:Tap control、Air door control 、Medical machine、Robot
环境温度:Ambient Temperature    -10℃—55℃
绝缘电阻:Insulation Resistance  500V DC 100MΩMIN
绝缘等级:Insulation Class   E

技术数据:Specifications

型号
Model

步距角
Step Angle
(Deg)

减速比
Gear Ratio

相数
No.of
Phase

电压
Voltage
(V)

电流
Current
(A)

电阻
Resistance
(Ω)

起动频率
Pull-in Rate
(PPS)

起动转矩
Pull-in Torque
(N.cm)

接线图
Wdg

外形图
Fig

重量
Weight
(g)

PDF下载

42BY24BJ50B

15/50

1:50

4

24

0.086

280

220

5(200PPS)

a

1

170

42BY48BJ10

7.5/10

1:10

4

12

0.18

66

450

10(100PPS)

a

1

170

42BY48BJ20

7.5/20

1:20

4

12

0.18

66

450

20(100PPS)

a

1

170

42BY48BJ25

7.5/25

1:25

4

12

0.18

66

450

25(100pps)

a

1

170

42BY48BJ120

7.5/120

1:120

4

12

0.18

66

450

60(100PPS)

a

1

170

42BY100BJ25

3.6/25

1:25

2

12

0.2

60

400

25(100PPS)

b

1

170


接线图:Wiring Diagram

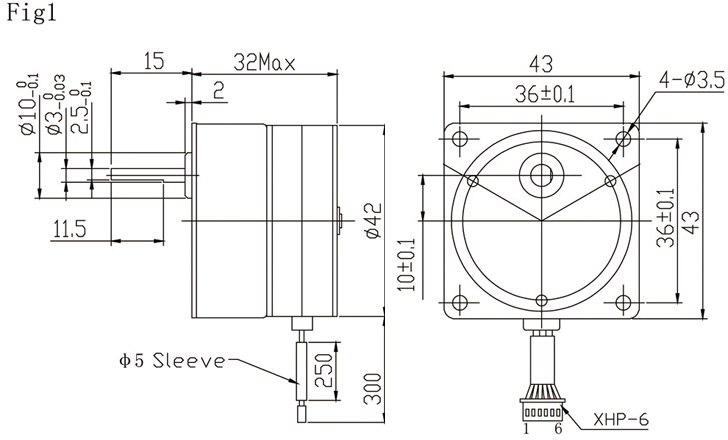
外形图:Figure Dimensions (unit =mm)

 
 
 
  公司介绍   |   产品中心   |   资料下载   |   选购指南   |    新闻中心   |   联系我们   |   台台管理  
     
  Copyright常州宝来电器有限公司 2002-2019 All rights reserved 苏ICP备05038914号
Ir heat lamps荣业建设
电话咨询