> 20BY20H04B-22JX
   > 25BY48HJ50/25BY48BJ1...
   > 35BY48HJ/35BYHJ
   > 42BY24BJ50B 42BY48BJ...
   > 42BY48HJ10/20/25
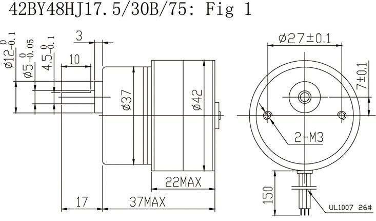
   > 42BY48HJ17.5/30B/75
   > 55BY48BJ10/20/30
   > 55BY48B-70J10C/125A ...
   > 42BYGHJ
   > 36JX
   > 56JX
 
  产品中心  
   
 
42BY48HJ17.5/30B/75
 

主要用途:医疗仪器,阀门控制,风门控制,机器人
Applications:Tap control、Air door control 、Medical machine、Robot
环境温度:Ambient Temperature    -10℃—55℃
绝缘电阻:Insulation Resistance  500V DC 100MΩMIN
绝缘等级:Insulation Class   E


技术数据:Specifications


型号
Model


步距角
Step Angle
(Deg)


减速比
Gear Ratio


相数
No.of
Phase


电压
Voltage
(V)


电流
Current
(A)


电阻
Resistance
(Ω)


起动频率
Pull-in Rate
(PPS)


起动转矩
Pull-in Torque
(N.cm)


接线图
Wdg


外形图
Fig


重量
Weight
(g)

PDF下载

42BY48HJ17.5

7.5/17.5

1:17.5

4

12

0.4

30

280

25(100PPS)

a

1

200

42BY48HJ30B

7.5/30

1:30

4

12

0.4

30

280

40(100pps)

a

1

200

42BY48HJ75

7.5/75

1:75

4

12

0.4

30

280

50(100pps)

a

1

200


接线图:Wiring Diagram

外形图:Figure Dimensions (unit =mm)

 
 
 
  公司介绍   |   产品中心   |   资料下载   |   选购指南   |    新闻中心   |   联系我们   |   台台管理  
     
  Copyright常州宝来电器有限公司 2002-2019 All rights reserved 苏ICP备05038914号
Ir heat lamps荣业建设
电话咨询