> 31ZYJ 27ZYJ
 
  产品中心  
 
直流减速电机
31ZYJ 27ZYJ
 
 
31ZYJ 27ZYJ
 

主要用途:阀门控制,工业自动化设备,点钞机等金融设备
Applications:Tap control、Industrial automation、Count-money machine
环境温度:Ambient Temperature -10℃—+55℃
绝缘电阻:Insulation Resistance  500V DC 100MΩMIN


技术数据:Specifications

型号
TYPE

额定电压
Rated
voltage
(V)

空载 NO LOAD

额定工作状态 RATED LOAD

减速比
Reducing
Speed
Rotio

重量
Weight
(g)

PDF下载

转速
Speed
(rpm)

电流
Current
(mA)

转速
Speed
(rpm)

电流
Current
(mA)

力矩
Torque
(Kg.cm)

输出功率
Output Power
(W)

31ZYJ54

12

180

≤200

160

≤650

1.3

1.56

54

150

27ZYJ50A

12

150

≤200

135

≤600

2.5

3.5

50

220

27ZYJ50B

12

150

≤200

135

≤600

2.5

3.5

50

150

27ZYJ297

12

25

≤200

22

≤600

9

2.0

297.5

200


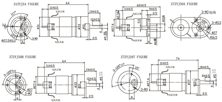
外形图:Figure Dimensions (unit =mm)

 
 
 
  公司介绍   |   产品中心   |   资料下载   |   选购指南   |    新闻中心   |   联系我们   |   台台管理  
     
  Copyright常州宝来电器有限公司 2002-2019 All rights reserved 苏ICP备05038914号
Ir heat lamps荣业建设
电话咨询