> 20BY20H04B-22JX
   > 25BY48HJ50/25BY48BJ1...
   > 35BY48HJ/35BYHJ
   > 42BY24BJ50B 42BY48BJ...
   > 42BY48HJ10/20/25
   > 42BY48HJ17.5/30B/75
   > 55BY48BJ10/20/30
   > 55BY48B-70J10C/125A ...
   > 42BYGHJ
   > 36JX
   > 56JX
 
  产品中心  
   
 
55BY48B-70J10C/125A 57BYGH45-70J125
 

主要用途:阀门控制、风门控制、医疗仪器,机器人
Applications:Valve control、Air door control、Medical machine、Robot
环境温度:Ambient Temperature    -10℃—55℃
绝缘电阻:Insulation Resistance  500V DC 100MΩMIN
绝缘等级:Insulation Class   E


技术数据:Specifications

型号
Model

步距角
Step Angle
(Deg)

减速比
Gear Ratio

相数
No.of
Phase

电压
Voltage
(V)

电流
Current
(A)

电阻
Resistance
(Ω)

起动频率
Pull-in Rate
(PPS)

起动转矩
Pull-in Torque
(N.cm)

接线图
Wdg

外形图
Fig

重量
Weight
(g)

PDF下载

55BY48B-70J10

7.5/10

1:10

2

24

1

3.2

1100

0.6(480pps)

a

1

490

55BY48B-70J10C

7.5/10

1:10

2

24

2

2.5

1100

0.6(480pps)

a

1

490

55BY48B-70J125A

7.5/125

1:125

2

24

0.8

17

900

7(200pps)

a

1

510

57BYGH45-70J125

1.8/125

1:125

2

24

0.8

5.2

2000

12(900pps)

b

1

660

 

接线图:Wiring Diagram

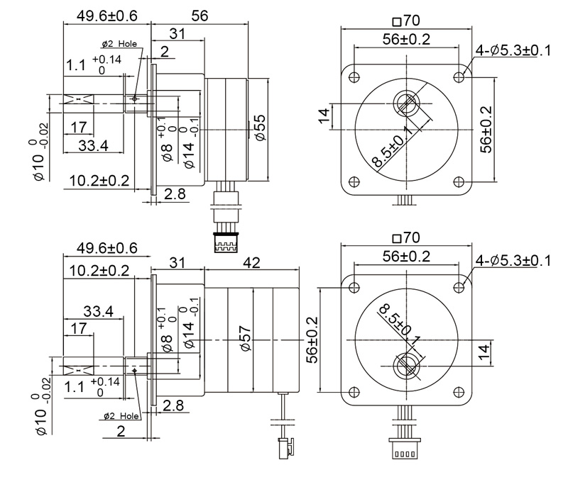
外形图:Figure Dimensions (unit =mm)



 
 
 
  公司介绍   |   产品中心   |   资料下载   |   选购指南   |    新闻中心   |   联系我们   |   台台管理  
     
  Copyright常州宝来电器有限公司 2002-2019 All rights reserved 苏ICP备05038914号
Ir heat lamps荣业建设
电话咨询